Mitochondrien ‒ eine Säule im MitoBiom®-Konzept
Mitochondrien reagieren, ähnlich wie das Mikrobiom, äußerst empfindlich gegenüber Belastungen – mit weitreichenden Folgen für den gesamten Organismus. Viele Zivilisationskrankheiten wie Herz-Kreislauf-Erkrankungen, neurologische Störungen (z. B. Migräne, Parkinson, Alzheimer), Burnout, Typ-2-Diabetes und Autoimmunerkrankungen lassen sich oft auf mitochondriale Dysfunktionen oder einen gestörten Darm zurückführen. Ein kranker Darm ist dabei häufig der Auslöser für mitochondriale Störungen, die im Laufe des Lebens zu erworbenen Mitochondriopathien führen – im Gegensatz zu den angeborenen, primären Formen.
Verschaffe dir hier einen ersten Überblick darüber, wie mitochondriale Dysfunktionen entstehen, wie eine fundierte Analytik und die Maßnahmen zur Stärkung der Mitochondrien aussehen und warum die Darmbehandlung eine wichtige Ergänzung ist. Das MitoBiom®-Konzept verbindet beide Ansätze – die gezielte Behandlung von Mitochondrien und Darm (inklusive Mikrobiom) – und bietet insbesondere chronisch Erkrankten eine neue Chance auf mehr Gesundheit.
Erfahre mehr in den Seminaren zum MitoBiom®-Konzept:
Geschädigte Mitochondrien erkennen und gezielt behandeln
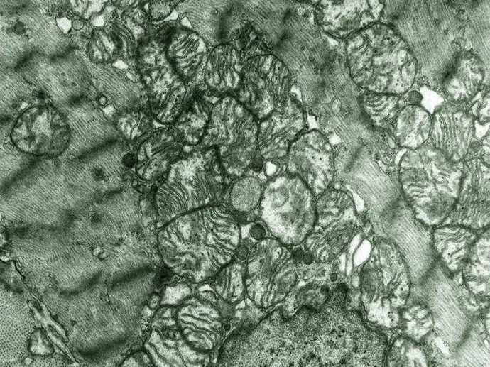
Warum Mitochondrien so wichtig sind
In den Mitochondrien laufen zahlreiche zentrale Stoffwechselprozesse ab. Besonders bekannt ist die mitochondriale Atmungskette, die etwa 90 % der Energie für den Körper in Form von ATP bereitstellt. Da ATP kaum gespeichert werden kann, wird es ständig neu gebildet. Der tägliche ATP-Verbrauch entspricht dabei ungefähr dem eigenen Körpergewicht – bei einem Körpergewicht von 70 kg produzieren die Zellen also täglich etwa 70 kg ATP!
Neben der Energiegewinnung sind die Mitochondrien auch für eine Vielzahl weiterer Aufgaben verantwortlich, darunter:
- Citratzyklus
- β-Oxidation der Fettsäuren
- Biosynthese u. a. von Membranlipiden, Steroidhormonen, Hämoglobin und Eisen-Schwefel-Proteinen
- ein Teil des Harnstoffzyklus
- Calcium-Speicher der Zelle
- Steuerung der Apoptose geschädigter Zellen
- Replikation und Transkription der mitochondrialen DNA sowie Proteinbiosynthese
Damit diese Prozesse reibungslos ablaufen können, müssen die Proteine, Enzyme, mitochondriale DNA und auch die Membranen ‒ v. a. auch die innere Mitochondrienmembran, in der die Energiegewinnung stattfindet ‒ intakt sein.
Wie entsteht eine mitochondriale Dysfunktion?
Durch folgende Faktoren kann es jedoch zu Schädigungen und als Folge zur mitochondrialen Dysfunktion kommen:
- stille Entzündungen
- ungesunde Ernährung
- Lebensmittelzusatzstoffe
- abnehmende Q10-Bildung ab dem ca. 20. Lebensjahr
- intestinale Dysbiose
- physische und psychische Belastung
- Umwelttoxine (z. B. Schwermetalle, Pestizide)
- UV-Strahlen
- einige Medikamente wie Antibiotika, Statine, Chemotherapie
Wenn Mitochondrien geschädigt sind, sinkt sowohl ihre Funktionsqualität als auch ihre Anzahl. Das führt zu Stoffwechselstörungen, insbesondere zu einer verminderten ATP-Produktion, was die Zellfunktion insgesamt beeinträchtigt. Gleichzeitig steigt die Belastung durch Sauerstoffradikale (ROS, reactive oxygen species), da weniger Sauerstoff in der Atmungskette verbraucht wird und leichter zu Sauerstoffradikalen weiterreagieren kann. Zudem entstehen in der Atmungskette natürlicherweise Sauerstoffradikale. Vorhandene Entzündungen können diesen Prozess weiter verstärken.
Wenn dieser Flut an Sauerstoffradikalen eine zu geringe Menge an Antioxidantien gegenübersteht, kommt es zu oxidativem Stress. Die Superoxid-Anionen (O2-) können zusätzlich mit Stickstoffmonoxid (NO) reagieren und das hochreaktive Peroxinitrit (ONOO-) bilden, was nitrosativen Stress verursacht.
Sowohl oxidativer als auch nitrosativer Stress schädigen die Mitochondrien weiter und verstärken Entzündungsreaktionen, was die ATP-Produktion und die Zellfunktionen zusätzlich verschlechtert. Dies kann schließlich zu chronischen Erkrankungen führen, auch bekannt als sekundäre oder erworbene Mitochondriopathien.
Wie äußert sich eine mitochondriale Dysfunktion?
Eine mitochondriale Dysfunktion kann den gesamten Körper betreffen und sich in Form verschiedener chronischer Erkrankungen manifestieren, darunter:
- Neurologische Erkrankungen
- Lungenerkrankungen
- Autoimmunerkrankungen
- Stoffwechselkrankheiten
- Erschöpfungssymptome
- Augen- und Ohrenerkrankungen
- Hautkrankheiten
- Herz- und Kreislauferkrankungen
- Verdauungs- und Darmstörungen
- Krebs
- Muskelerkrankungen
- Gelenkkrankheiten
Mitochondriencheck ‒ mit aussagekräftiger Analytik
Die Funktionsfähigkeit der Mitochondrien deiner Patienten lässt sich einfach durch eine Blutprobe im Labor analysieren.
Folgende Untersuchungsparameter sind dabei besonders relevant:
- Laktat/Pyruvat-Verhältnis
- Vollblutmineralanalyse: Kalium, Calcium, Natrium, Magnesium, Eisen, Zink, Selen, Kupfer, Mangan, Chrom
- Coenzym Q10
- 25(OH)-Vitamin-D3
- antioxidative Kapazität
- hochsensitives CRP
- Schwermetallanalyse
- Omega-3-Index
Detaillierte Informationen zur Analytik und den zugrunde liegenden Zusammenhängen erhältst du in den Seminaren zum MitoBiom®-Konzept der.
Wiederherstellung gesunder Mitochondrien
Basierend auf den Analyseergebnissen lassen sich individuelle Ziele und Maßnahmen ableiten, um geschädigte Mitochondrien zu regenerieren und gleichzeitig die gesunden Mitochondrien zu stärken.
Die zentralen Ziele umfassen dabei:
- Ausgleich von Nährstoffmängeln
- Abbau von oxidativem und nitrosativem Stress
- antientzündliche Maßnahmen
- Ausleitung von Schwermetallen
- Stimulierung der mitochondrialen Biogenese
Darmbehandlung: zweite wichtige Säule im MitoBiom®-Konzept
Ein kranker Darm ist eine der häufigsten Ursachen für eine mitochondriale Dysfunktion. Eine anhaltende Dysbiose des Mikrobioms führt häufig zu Funktionsstörungen und Entzündungen der Darmschleimhaut bis hin zum sogenannten Leaky Gut. Dadurch können Nahrungsmittelantigene und Bakterienbestandteile ungehindert die Darmbarriere passieren und das Immunsystem aktivieren. Dies führt zu systemischen, stillen Entzündungen, die durch den entstehenden oxidativen und nitrosativen Stress eine mitochondriale Dysfunktion begünstigen.
Im Rahmen eines ganzheitlichen Ansatzes zur Behandlung chronischer Erkrankungen ist daher der Aufbau und Erhalt eines gesunden Mikrobioms neben der mitochondrialen Therapie die zweite zentrale Säule. Das MitoBiom®-Konzept vereint beide Ansätze und bietet damit eine umfassende Lösung zur Gesundheitsförderung.

MitoBiom®-Konzept ‒ Fortbildungen
Möchtest du mehr über das MitoBiom®-Konzept erfahren und es direkt anwenden? In den Seminaren der TISSO-Akademie vermitteln dir erfahrene Referenten das theoretische und praktische Wissen, um das MitoBiom®-Konzept sicher und routiniert in die Praxis umzusetzen. Bereits nach einem Seminar kannst du direkt mit der Anwendung beginnen – auch in Kombination mit anderen Methoden.
In unseren praxisnahen Modul-Seminaren, die regelmäßig an verschiedenen Standorten stattfinden, lernst du die Anwendung und die dazugehörige Analytik umfassend kennen. Spezialseminare und kostenfreie Webinare bieten dir zusätzliche fachliche Impulse und neue Perspektiven zum MitoBiom®-Konzept. Aufzeichnungen aller Webinare sowie Videos zu unseren Produkten findest du jederzeit in unserem E-learning.
Für eine angenehme Seminaratmosphäre und optimale Betreuung sorgt das Team der TISSO-Akademie (seminare@tisso.de). Unser Kundenservice, der Seminarservice und die Experten der fachlichen Hotline stehen dir vor, während und nach der Fortbildung kompetent zur Seite.